01011.0-42 - STEGO DCT 010 Electronic Thermostat - DC Line N/C Contact 0 to +60 DegC 20-56V DC Max. Switching Capacity 11A DC
| List price: | £176.49 |
| Discount: | 10% |
| Your price: | £158.84 ex. VAT |
| Prices per 1 (each) | £190.61 inc. VAT |
Available for back order
Please note: Discounts displayed on our website are web-exclusive and only applicable to orders placed online. See Terms & Conditions for further information.
Product details
Specification
Product downloads
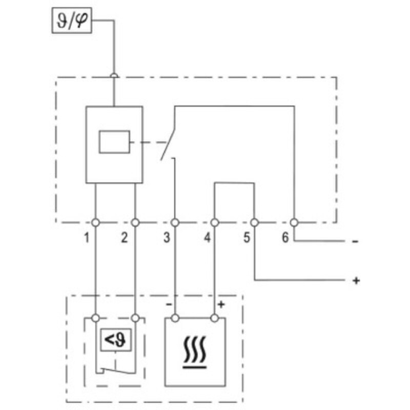
DCT 010 Electronic Thermostat - DC Line; N/C Contact; 0 to +60 DegC; 20-56VDC; Max. Switching Capacity 11A DC; Secondary Switching Function 65% RH Pre-set
| Brand | STEGO |
| Range | DCT 010 |
| Switch Configuration | Normally Closed (for Heaters) |
| Temperature Range Adjustable or Fixed | Adjustable |
| Temperature Range | 0 to +60 Deg C |
| Supply Voltage | 20-56V DC |
| Mounting | DIN Rail |
| Height (mm) | 93 |
| Width (mm) | 53 |
| Depth (mm) | 44 |
| Weight | 0.12 kg |
| EAN | 4251823400171 |
Specsheet
(1.71 MB)